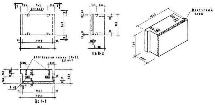
НБД-12.8.5

Чертеж изделия:
Чертеж НБД-12.8.5
Характеристики изделия:
ПараметрЗначение
Длина1245 мм
Ширина520 мм
Высота760 мм
Масса875 кг
Нормативный документСерия 1.133-1

Стеновые легкобетонные блоки толщиной 60 см по Серии 1.133-1.

НБД-12.8.5  Подоконный блок.