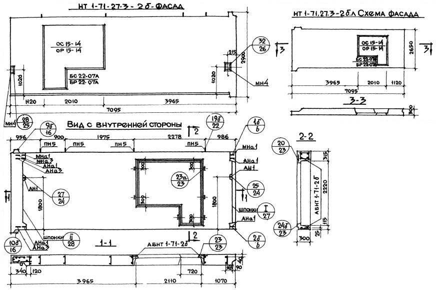
НТ1-71.27.3-2бл

Чертеж изделия:
Чертеж НТ1-71.27.3-2бл
Характеристики изделия:
ПараметрЗначение
Длина7095 мм
Ширина300 мм
Высота2650 мм
Масса6750 кг
Нормативный документСерия 1.132-1

НТ1-71.27.3-2бл   Наружная стеновая панель торцевая по Серии 1.132-1.